1.1 如何让边动起来
I.S 布鲁纳指出,掌握基本数学思想和方法能使数学更易于理解和更易于记忆,领 会数学思想和方法是通向迁移大道的“光明之路”。在研究初中平面几何时,我们基本 上都是要证明角相等或边相等,所以经常都要运用到“化归思想”来进行转化,最为常 见的就是把不在同一个基本图形中的两条边通过与第三边相等联系起来,并运用这种转 化,就能发挥出数学中蕴含的辩证思维的魅力。数学方法之所以强有力,无论是计算方 法之灵巧,还是推理论证之美妙,就思想方法而言,常常在于有意识地利用或创造了各 种转化。
我们通常所用的转化手段与策略就是我们几何中最基本最主要的知识——全等、平 移、旋转、对称。有一次在上《三角形的中位线》一课时,教材中给出的定理证明方法 为中位线倍长法,难度相当大,学生无法理解;中点四边形的证明如何作辅助线,为什 么这样做辅助线,学生理解不了,实质上就是边的转化,即利用了“化归思想”。这时 我便想到这种化归思想的核心,就是边等和角等,甚至可以用于整个初中几何部分的题 目。当时我给学生提出来时,学生都很振奋、很激动。通过一段时间对“边等角等”初 步的研究和思考,我发现边相等更注重的结果,是一个静态的东西,我觉得应该改为“边 动角动”更为合适,“边动起来”注重了线段转化的过程,并且是一个动态的过程,更 符合新课标的理念。于是我发明了“边动方法”,并开始着手以教材为突破口来以认真 研究“边动方法”。恩格斯曾指出,从一种形式到另一种形式的转变,是数学科学的最 有力的杠杆之一。这样,“边动方法”就应当是初中几何中的杠杆,是学生学习几何的 桥梁。
“边动”是不是意味着完全没有规律且没有顺序地乱动呢?并不是。什么是边动? 边动就是边相等,只有让边动起来,做题速度才会加快。怎样才能产生“边动”? 我 们如何运用“边动”解决几何难题?
一、产生“边动”的原因:
1.“全等”产生边动:
(1)模型一:如图,A,B 两点分别位于一个池塘的两端,小明想用绳子测量 A,B 间的距离,但绳子不够长,一个叔叔帮他出了这样一个主意:先在地上取一个可以直接到达 A 点和 B 点的点 C,连接 AC 并延长到 D,使 CD=AC;连接 BC 并延长到 E,使 CE=CB, 连接 DE 并测量出它的长度,DE 的长度就是 A,B 间的距离。你能说明其中的道理吗?
分析:①根据“边角边”全等,得到△ABC≌△DEC→ ②边动 AB=DE。

(2)模型二:
已知:如图,在正方形 ABCD 中,等边三角形 AEF 的顶点 E、F 分别在 BC 和 CD 上。

求证:∠CEF=∠CFE。
分析:①边动 AB=AD,AE=AF→②△ABE≌△ADF→ ③边动 BE=DF→④边动 EC=FC,命题得证。
2.“圆中半径”产生边动:
模型一:
如图,在⊙O 中,弦 AC∥半径 OB,∠BOC=50°,则∠OAB 的度数为( )

A.25° B.50° C.60° D.30°
分析:①弦 AC∥半径 OB→∠B=∠CAB,②边动 OA=OB →∠OAB=∠B,得到∠OAB=∠BAC,③由圆心角定理可得 ∠BAC= 2 1 ∠BOC=25°→④∠OAB=25°。
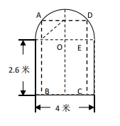
模型二:一辆卡车装满货物后,高 4 米,宽 2.8 米。这辆卡车能通 过横截面如图所示(上方是一个半圆)的隧道吗?

分析:构造如图矩形 ABCD 和 Rt△ODE,可采用两种 方式来解决。一是固定宽求高,二是固定高求宽。此题的 关键在于圆中的边动,已知直径为 4 米,半径即为 2 米, 只要让半径动至斜边 OD 的位置即可。
3.“平行四边形内部结构”产生边动:
(1)模型一:平行四边形对角线互相平分。
如图,在平行四边形 ABCD 中,已知∠ODA=900 ,OA=6cm,OB=3 cm。求 AC、AD 的长。

分析:①平行四边形产生边动 CO=OA=6cm,BO=OD。 →②勾股定理求出 AD。
(2)模型二:菱形(正方形)四边都相等。
如图,四边形 ABCD 是正方形,E、F 是分别是 AB 和 AD 延长线上的点,BE=DF。在此图中是否存在两个全等的三角形, 它们能够由其中一个通过旋转而得到另外一个?

分析:①正方形产生边动和角动 CD=CB,∠FDC=∠B=900 。 →②勾股定理求出 AD。
(3)模型三:矩形的对角线相等。
如图,在矩形 ABCD 中,两条对角线 AC 与 BD 相交于点 O,AB=6,OA=4。求 BD 与 AD 的长。

分析:①边动 AC=BD,AO=OC,BO=OD。→②边动 AO=BO →③边动 BD=2BO=2AO→④勾股定理求出 AD。
4.“平移”产生边动:
(1)模型一:
如图,在平行四边形 ABCD 中,E、F 分别是 AB、CD 中点。求证:△ADE≌△CBF。

分析:①“平行四边形”产生边动 AD=BC,AB=CD, ∠A=∠C→②中点产生边动 AE=CF。命题得证。
(2)模型二:
如图,在等腰梯形 ABCD 中,AD=2,BC=4,高 DF=2,求腰 DC 的长。

分析:①把 AB 平移至 DE,产生边动 AB=DE,AD=BE。 →②等腰梯形产生边动 DE=DC。→③“三线合一”产生边动 EF=CF=1→④勾股定理求出 DC。
5.“旋转”产生边动:
(1)模型一:
①任作一个梯形,绕其某条腰上中点顺时针旋转 1800 ,请画出旋转后的图形;
②旋转后的图形与原图形构成什么图形?为什么? 请说明理由。

答:平行四边形。分析:①旋转产生边动,AD=CE, DF=BE,AB=FE。→②边动 AF=BE,命题得证。
(2)模型二:
任意剪一个梯形纸片,利用对折的方法找到两腰的中点 E、F。按图中所示的方法过 两腰的中点分别将含∠A、∠B 的部分向里折,得到两个折痕(如图所示),沿折痕剪下 ①②,并按图中箭头所指的方向旋转 1800 。你能得到一个怎样的四边形?由此,你能发 现关于线段 EF 些特性?

答:矩形。
分析:①旋转产生边动,AH=DG,BN=CM。 →②矩形边动 GM=HN=EF,→③EF=1/2(DC+AB)
6.“对称”产生边动:
(1)模型一:“垂直平分线”
如图,已知 DE 是 AB 的垂直平分线,FG 是 AC 的垂直平分线,点 E、G 在 BC 上,BC=20cm, 求△AEG 的周长。

分析:①“垂直平分线”产生边动,EB=EA,AG=GC。 →②△AEG 的周长=BC 长。
(2)模型二:“角平分线”
如图,在△ABC 中,AC=BC,∠C=900 ,AD 是△ABC 的角平分线,DE⊥AB 于 E。 ①已知 CD=4cm,求 AC 的长。
②求证:AB=AC+CD。

分析:第一小问:①“角平分线”产生边动,DC=DE。→②∠EDB=∠B=450 ,→③边动,ED=EB=CD,→④求出 DB=4 2 ,即可求出 AC。
第二小问:①“角平分线”产生边动,AC=AE。→②第一小问已证 EB=CD,则命题得证。
二、实际综合运用:
1.例 1.如图,已知:在四边形 ABCD 中,对角线 AC,BD 相交于点 E,AC=BC=6cm,∠ACB=∠ADB=90°. 若 BE=2AD,求△ABE 的面积。


分析:思路之一:
有等腰就有旋转,因此将△ADC绕点C逆时针旋转90至△BFC,这是边动的思路, 辅助线则是取EB中点F,连接CF,可证△ADC与△BFC全等,得到∠CBE=∠EBA=22.5°,由角平分性质可知2,从而求出△ABE 的面积为(36−182)cm2.